网站导航 MENU
网站首页
关于公司
新闻动态
公司产品
案例展示
人才招聘
技术支持
联系我们
公司产品
圆柱弹簧
异形弹簧
模具弹簧
拉簧
卡簧
碟形弹簧
弹性销
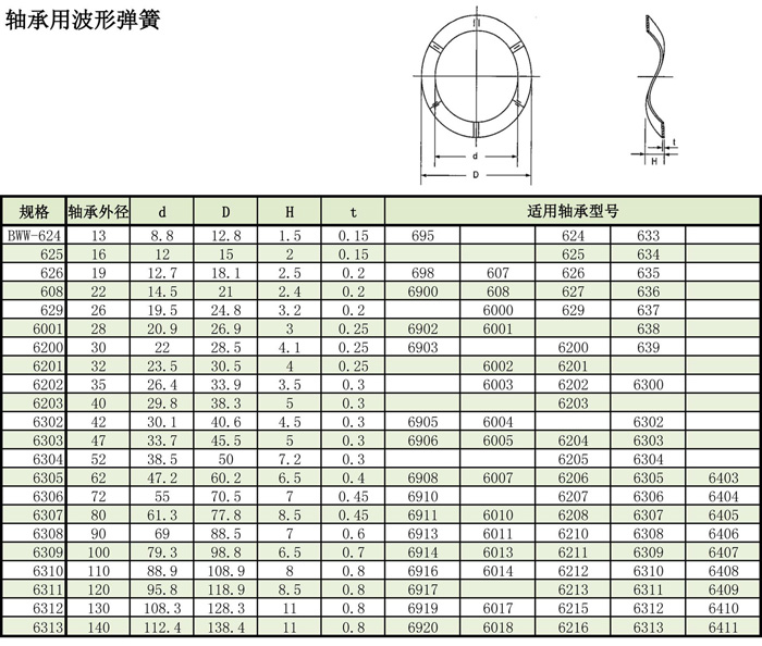
波形弹簧
板簧
你的位置:
首页
>
公司产品
>
波形弹簧
波形弹簧
更新:2023-2-18 13:05:28 点击:
产品介绍
首页
电话
在线留言
邮件
留言